728x90
반응형
반응형
LIST
'품질관리 > 시스템 ,매뉴얼,규정' 카테고리의 다른 글
| 16949의_프로세스_접근방법 (0) | 2024.01.05 |
|---|---|
| 14001+설명 요구사항 해설 (0) | 2024.01.05 |
| ISO_교안_03 process_수립 (0) | 2024.01.05 |
| ISO 9001_품질요약 (0) | 2024.01.05 |
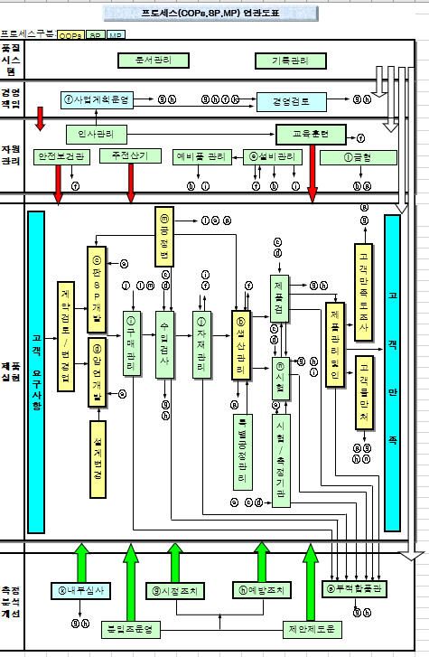
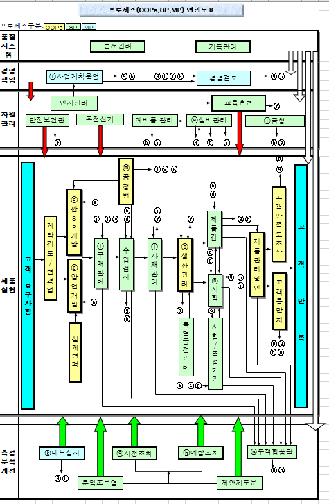
| 품질+process 프로세스 (0) | 2024.01.05 |
| PSO 준비활동 단계별 성과물 (공급자 제출사항) (0) | 2024.01.04 |
| PSO 단계별 활동 시점 종합표 (0) | 2024.01.04 |
| PPAP+교육+자료(AIAG+4판) (0) | 2024.01.04 |
